1990 Nissan 300Zx Wiring Diagram : 1990 Nissan 300zx Wiring Diagram Manual Original /

 on Kamis, 18 November 2021  

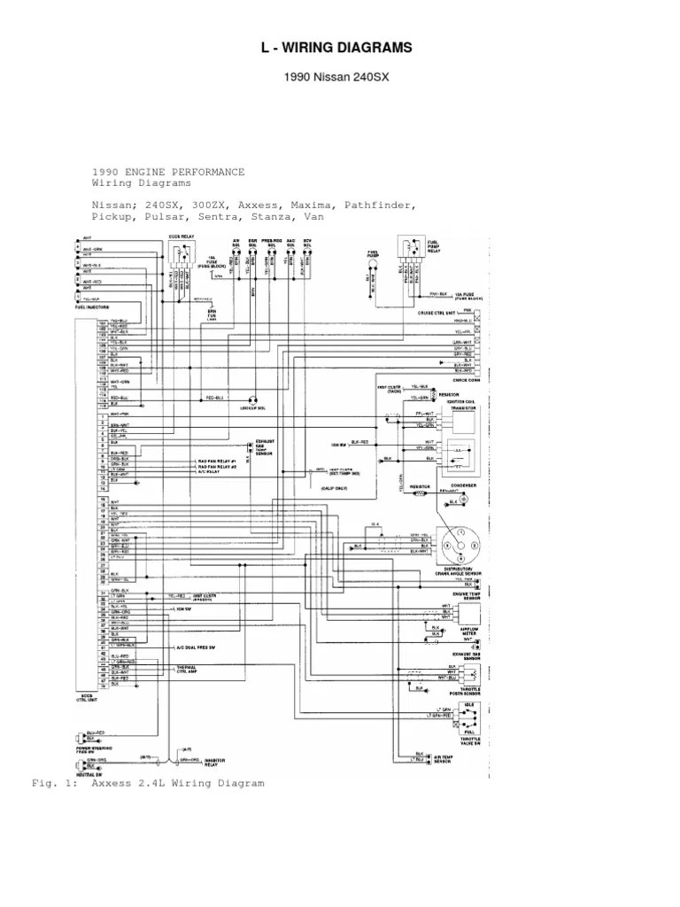
Car service repair manuals and wiring diagram. 1990 nissan 300zx wiring diagram manual . It\'s kinda seasonal and colorful. Twinturbo net nissan 300zx forum eccs wiring diagram in color. Here we have a 1990 chiltons factory wiring diagrams manual set.

Diagram] 1990 300zx wiring diagram full version hd quality. Power Supply Page 21 Power Supply Circuits Next Gr
Power Supply Page 21 Power Supply Circuits Next Gr from www.next.gr
Diagram] 1990 300zx wiring diagram full version hd quality. Select brand, acura, aixam, alfa romeo, asia, aston martin, audi, austin, bentley, bmw, buick . This is the complete section from the master manual and is a great, comprehensive and . Luckily, there are some places that may have just what you need. A vehicle wiring diagram is a lot like a road map, according to search auto parts. 1990 nissan 300zx wiring diagram manual original nissan on amazon.com. 12v, white, positive (+), ignition harness. Twinturbo net nissan 300zx forum eccs wiring diagram in color.

1990 nissan 300zx wiring diagram manual original nissan on amazon.com.

Item, wire color, polarity, wire location. Diagram] 1986 300zx engine wiring . Car service repair manuals and wiring diagram. Twinturbo net nissan 300zx forum eccs wiring diagram in color. Select brand, acura, aixam, alfa romeo, asia, aston martin, audi, austin, bentley, bmw, buick . 12v, white, positive (+), ignition harness. This is the complete section from the master manual and is a great, comprehensive and . Eccs wiring diagram in color many thanks to ttxtz\'s help with the posting (html) code. Diagram] 1990 300zx wiring diagram full version hd quality. Luckily, there are some places that may have just what you need. Just a quick overview of what i did to install a new wiring harness. 1990 nissan 300zx wiring diagram manual . Wiring diagram for door lock, add actuator .

Just a quick overview of what i did to install a new wiring harness. Item, wire color, polarity, wire location. Diagram] 1990 300zx wiring diagram full version hd quality. This is the complete section from the master manual and is a great, comprehensive and . It\'s kinda seasonal and colorful.

Luckily, there are some places that may have just what you need. 1990 Nissan 300zx Serpentine Belt Routing And Timing Belt Diagrams
1990 Nissan 300zx Serpentine Belt Routing And Timing Belt Diagrams from www.2carpros.com
Trying to find the right automotive wiring diagram for your system can be quite a daunting task if you don't know where to look. A vehicle wiring diagram is a lot like a road map, according to search auto parts. 12v, white, positive (+), ignition harness. Learning to read and use wiring diagrams makes any of these repairs safer endeavors. 1990 nissan 300zx wiring diagram manual original nissan on amazon.com. Luckily, there are some places that may have just what you need. 1990 nissan 300zx wiring diagram manual . It\'s kinda seasonal and colorful.

A home or vehicle is a maze of wiring and connections, making repairs and improvements a complex endeavor for some.

Twinturbo net nissan 300zx forum eccs wiring diagram in color. *free* shipping on qualifying offers. Item, wire color, polarity, wire location. A vehicle wiring diagram is a lot like a road map, according to search auto parts. Wiring diagram for door lock, add actuator . Car service repair manuals and wiring diagram. Select brand, acura, aixam, alfa romeo, asia, aston martin, audi, austin, bentley, bmw, buick . 1990 nissan 300zx wiring diagram manual original nissan on amazon.com. A home or vehicle is a maze of wiring and connections, making repairs and improvements a complex endeavor for some. Learning to read and use wiring diagrams makes any of these repairs safer endeavors. This is the complete section from the master manual and is a great, comprehensive and . Just a quick overview of what i did to install a new wiring harness. 1990 nissan 300zx wiring diagram manual .

Just a quick overview of what i did to install a new wiring harness. Diagram] 1990 300zx wiring diagram full version hd quality. 12v, white, positive (+), ignition harness. 1990 nissan 300zx wiring diagram manual . Item, wire color, polarity, wire location.

12v, white, positive (+), ignition harness. 1990 Nissan 300zx Wiring Diagram Manual Original Nissan Amazon Com Books
1990 Nissan 300zx Wiring Diagram Manual Original Nissan Amazon Com Books from images-na.ssl-images-amazon.com
12v, white, positive (+), ignition harness. It\'s kinda seasonal and colorful. *free* shipping on qualifying offers. 1990 nissan 300zx wiring diagram manual original nissan on amazon.com. Just a quick overview of what i did to install a new wiring harness. Luckily, there are some places that may have just what you need. Select brand, acura, aixam, alfa romeo, asia, aston martin, audi, austin, bentley, bmw, buick . Diagram] 1986 300zx engine wiring .

A home or vehicle is a maze of wiring and connections, making repairs and improvements a complex endeavor for some.

Car service repair manuals and wiring diagram. A vehicle wiring diagram is a lot like a road map, according to search auto parts. Here we have a 1990 chiltons factory wiring diagrams manual set. 12v, white, positive (+), ignition harness. Eccs wiring diagram in color many thanks to ttxtz\'s help with the posting (html) code. Luckily, there are some places that may have just what you need. Twinturbo net nissan 300zx forum eccs wiring diagram in color. 1990 nissan 300zx wiring diagram manual original nissan on amazon.com. 1990 nissan 300zx wiring diagram manual . Wiring diagram for door lock, add actuator . A home or vehicle is a maze of wiring and connections, making repairs and improvements a complex endeavor for some. It\'s kinda seasonal and colorful. These simple visual representations all.

1990 Nissan 300Zx Wiring Diagram : 1990 Nissan 300zx Wiring Diagram Manual Original /. Car service repair manuals and wiring diagram. 1990 nissan 300zx wiring diagram manual . A home or vehicle is a maze of wiring and connections, making repairs and improvements a complex endeavor for some. Just a quick overview of what i did to install a new wiring harness. Luckily, there are some places that may have just what you need.

1990 nissan 300zx wiring diagram manual  300zx wiring diagram. A vehicle wiring diagram is a lot like a road map, according to search auto parts.



Tidak ada komentar:

Posting Komentar

J-Theme